Intercambiador de calor que aprovecha los gases calientes que salen por una chimenea y que sirven para calentar el agua de la alimentación a una caldera
Permite visualizar, detectar y controlar el nivel de líquido en calderas o recipientes a presión para una operación segura
Eliminan oxigeno y gases no condensables, precalientan el agua para evitar choques térmicos en el interior
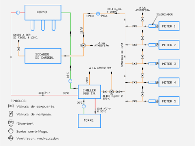
Realizamos proyectos para la planeación, instalación y eficiencia del funcionamiento de calderas para la industria de México y Latinoamérica.
Contamos con todos los tipos de refacción para todas las marcas de calderas
incluyendo quemadores y controles




